Квартирный щиток: схема, устройство, принципы проектирования
Во времена Советов люди не задумывались об оборудовании вводных электрических щитов. Всем было вполне достаточно обычной платформы, на которой крепился пакетный выключатель, прибор учета электроэнергии да пара плавких предохранителей, в простонародье называемых пробками. При этом у подавляющего большинства внутри них были установлены «жучки» — перемычки из медной проволоки. Сейчас требования к безопасности стали совершенно другими, пробки ушли в прошлое, уступив место автоматическим выключателям и другому оборудованию, призванному обезопасить человека. Сегодняшняя статья расскажет о схемах квартирных щитков, собираемых в наше время.

Небольшое вступление
Домашние мастера, даже те, кто своими руками выполнил весь электромонтаж в квартире, часто пасуют перед сборкой электрического шкафа, предпочитая оплатить труд профессиональных электриков. Однако не факт, что работать будет настоящий специалист, а не тот, которых в народе называют «шестивольтовыми». К тому же подобная схема подключения квартирного щитка не так сложна, как может показаться на первый взгляд. Главное здесь – понять принцип. К тому же если электромонтаж в квартире закончен, нет необходимости производить сложные вычисления по номиналам автоматики. Это можно сделать по сечению проводов, подходящих к щитку.
С чего начать работу по сборке электрического шкафа
Первым делом домашнему мастеру необходимо определиться с количеством автоматических выключателей, УЗО и их номиналом. Это делается достаточно просто, ведь все провода перед глазами. Лучше всего взять лист бумаги и набросать приблизительную схему размещения модулей на ДИН-рейке. Это поможет определиться с тем, что будет монтироваться – устройства защитного отключения (УЗО) или автоматические выключатели дифференциального тока (АВДТ). Здесь дело в свободном пространстве внутри бокса. Ведь УЗО с автоматом занимает 3 модульных места, а АВДТ — всего 2. Иногда именно этот фактор становится решающим. Схема квартирного щитка с УЗО будет немного отличаться – она сложнее в коммутации.

Количество фаз, подходящих к вводному шкафу
Чаще всего квартиры запитаны на 220 В, а вот в частных домах вполне может быть и 380 В. При подключении на однофазную цепь схема квартирного щитка будет проще, однако не намного. При желании можно разобраться и с системой на 380 В. Но если речь зашла именно о квартирах, то рассматриваться будет именно схема для одной фазы.
Планируя расположение модульных элементов, стоит предусмотреть двойное место на входе, перед прибором учета электроэнергии. Оно необходимо для установки вводного автоматического выключателя. Многие могут спросить, почему необходимо место на 2 модуля. Несмотря на то что составляется схема квартирного щитка на однофазную систему, вводной автомат предусматривает разрыв двух проводников – фазного и нулевого.

Расположение элементов защитной автоматики: первичная сборка
Имея на руках набросок будущего электрического шкафа, можно приступать к его подготовке. Необходимо расположить на ДИН-рейке всю защитную автоматику в правильной последовательности. Не стоит забывать и про 2 шины для нулевых и заземляющих проводов.
Рассмотрим пример схемы электрического квартирного щитка, а именно расположение в нем элементов защиты при наличии двух ДИН-реек (слева направо, начиная с верхней):
- Вводной двухполюсной автомат.
- Прибор учета электроэнергии.
- Основной дифференциальный автомат или устройство защитного отключения.
- АВДТ или УЗО, идущее на отдельные группы.
Нижняя ДИН-рейка полностью занимается автоматическими выключателями, распределенными по группам.

Коммутация электрического щита
Сборку схемы квартирного щитка с дифавтоматами или устройствами защитного отключения следует начать от ввода, постепенно продвигаясь к отходящим линиям. При этом питание на шкаф не подается – это делается в самую последнюю очередь. От ввода подключается прибор учета электроэнергии, далее общий АВДТ или УЗО, а уже после производится разводка по группам.
Полезная информация! Изначально контакты автоматики сильно протягивать не стоит – велика вероятность ошибки при коммутации, а лишний раз срывать фиксирующие винты не стоит. После того как сборка завершена необходимо еще раз все тщательно проверить. Если коммутация удовлетворительна, можно протянуть фиксирующие винты. На виде ниже представлена подобная сборка.

Правила монтажа устройств защитного отключения
Многие домашние мастера ошибаются именно на этом этапе. Что говорить, даже опытные электрики порой неверно коммутируют подобные устройства. Следует помнить, что если в схеме квартирного щитка присутствует УЗО, нельзя допускать контакта нулевого и заземляющего проводов. Если таковое произойдет, то в процессе эксплуатации устройство защитного отключение будет периодически беспричинно срабатывать, что никак не добавит комфорта проживанию.
Для корректной работы нулевой провод, приходящий от шины на каждое из УЗО, далее направляется именно на свою отдельную группу. Если перепутать, и отправить его на другую линию, оставив фазу на своей, устройство защитного отключения будет постоянно срабатывать, как в случае соприкосновения нейтрали с заземлением. Это происходит из-за возникновения разности потенциалов на катушках УЗО.

Подача основного питания и испытание шкафа
Перепроверив схему еще раз и протянув контакты необходимо аккуратно уложить все провода – это поможет впоследствии в обслуживании шкафа, доступ к оборудованию упростится. После этого можно приступать к подключению питающего кабеля, однако следует помнить, что если это частный дом, то владелец не имеет права брать питание со столба – эту работу выполняет специалист энергосбытовой компании, который устанавливает на опоре или стене дома (по желанию хозяина) шкаф с фидерным выключателем. Вот от него и нужно запитываться.
В момент ввода питающего кабеля в электрический шкаф напряжения на нем быть не должно. Подключив его к автомату, необходимо плотно протянуть контакты, включить всю автоматику и только после этого подать напряжение. В этом случае по отключившемуся автомату станет видно, на какой из линий есть неисправность. Нагрузки на розетках в это время быть не должно. Теперь остается лишь нажать на всех УЗО по очереди кнопку «ТЕСТ». Устройства должны сработать, зафиксировав ток утечки. Если все в порядке, можно вызывать специалиста компании-поставщика электроэнергии или РЭС ЖКХ для проверки схемы подключения квартирного щитка со счетчиком и опломбировки прибора учета.

Несколько советов по обслуживанию электрического щитка
Если в электрическом шкафу осталось свободное место, имеет смысл установить в него простую розетку. Она может пригодиться, если понадобится подключение какого-либо оборудования поблизости или даже обычной переноски при производстве ремонта. Питание к ней подводится от основного АВДТ или УЗО. Ни в коем случае не стоит подключать ее к вводному автомату. Подобные действия будут расценены контролером энергонадзора как хищение электроэнергии, что чревато очень большим штрафом.
После того как электрический шкаф введен в эксплуатацию (после 1-2 недель), следует еще раз основательно протянуть все фиксирующие винты контактов. Подобные ревизии следует производить с периодичностью 2 раза в год. Это избавит от нагрева в результате окисления и ослабления контактов. Все работы нужно производить только инструментом с неповрежденной изоляцией, даже если они выполняются при снятом напряжении. Автоматика может отказать, и в этом случае трещина в ручке отвертки вполне возможно будет стоить жизни.

Что касается нарисованной схемы квартирного щитка. Ее не стоит выбрасывать. Этот набросок может помочь значительно сократить время поиска неисправности в будущем, при ее возникновении. То же касается и схем разводки кабелей по квартире или частному дому.
Полезный совет для тех, кто решил вызвать для ремонта профессионального электромонтера и не уверен в его квалификации. В этом случае нужно просто обратить внимание на инструмент, которым он собирается работать. Если ручки у плоскогубцев или отверток перемотаны изолентой, доверять ему не стоит. Хороший специалист содержит инструмент в идеальном состоянии, проверяя его каждое утро перед работой, как и предписано правилами техники безопасности и никогда не будет использовать поврежденный.
Как упростить последующее обслуживание щита: рекомендации специалистов
Для того чтобы в будущем было легче понять, что и куда направляется (со временем этот монтаж сотрется из памяти), помимо подписанных автоматов, имеет смысл перенести схему коммутации электрического шкафа на его дверцу и проклеить сверху скотчем. Так она всегда будет перед гласами, а приглашенному специалисту будет проще разобраться с проблемой, если она возникнет. Помимо этого можно на каждый провод повесить бирку с номером, а номера расшифровать на рой же дверце.
При производстве коммутации необходимо соблюдать цветовую маркировку. Если этого не сделать, уже через каких-то полгода сам домашний мастер не сможет разобраться в хитросплетении кабелей. К тому же это опасно. Ведь глядя на желто-зеленый провод, все знают, что он не опасен, это заземление. А если он окажется под напряжением? Последствия могут быть весьма плачевными.

Подведем итог изложенной информации
Составить и собрать схему квартирного щитка несложно и для этого не требуется особого образования или опыта, хотя они и приветствуются. Главное в подобной работе – это аккуратность и внимательность к мелочам. Ведь даже то, что кажется незначительным, может впоследствии причинить немало хлопот. Ну а если подойти к работе серьезно, то она не будет такой сложной, как показалось вначале. А удовлетворение от проделанного, от того, что все получилось как задумано — бесценно.
Схема электрощитка в квартире
Как легко собрать и установить электрощиток в квартире
В квартире современного человека работает огромное количество электроприборов, которые создают большую нагрузку на сеть.
Для обеспечения повышенной электробезопасности можно установить индивидуальный электрощиток в квартире или доме, это позволит раздельно управлять электроприборами.
Сделать это можно вполне самостоятельно, например, во время ремонта или после замены старой проводки.
Элементы электрощита
Обычный электрощиток для квартиры содержит не так много элементов, и собрать его может практически кто угодно. В состав электрощита входят:
- Вводной автоматический выключатель . Как правило, двойной, обесточивающий сразу два электрических кабеля – ноль и фазу. Мощность выбирается в зависимости от общей нагрузки потребления всех приборов в квартире.
- Устройство защитного отключения (УЗО) . дифференцированное реле. Обесточивает электропроводку буквально за миллисекунды после регистрации утечек напряжения, например, при замыкании нулевого провода на землю. Это не обязательный элемент электрощитка, тем не менее, стоит приобрести его для обеспечения электробезопасности.
- Дополнительные автоматические выключатели. Контролируют электроприборы большой мощности, такие как бойлеры, электрические плиты, кондиционеры, стиральные машины, а также электрические цепи в отдельных комнатах. Номинал выбирается в зависимости от мощности потребителя.

Навесные корпуса легко установить, но они не всегда хорошо вписываются в интерьер квартиры. Встраиваемые требуют больше подготовки для монтажа, включая строительные работы, зато они практически не заметны.
Требования к распределительным щиткам
Одной из основных целей установки распределительного щита в квартире является повышение уровня электробезопасности, поэтому нужно очень серьезно подойти к требованиям по его установке.
Электрический щит должен отвечать всем правилам ГОСТ 51778-2001 и ПУЭ
- К щитку должна прилагаться техническая документация. в которой описывается установленное оборудование, а именно количество приборов и их номинальный ток.
- Щиток должен иметь
знак электрической безопасности с указанным напряжением. - Материалы, из которых изготовлен щиток, должны быть негорючими. Покрытие щита не должно пропускать электрический ток. Как правило, это термостойкий пластик, либо металл с полимерным покрытием.
- Провода должны иметь маркировку, например с помощью бирок с обозначением подключенных приборов.
- Заземляющие и нулевые клеммные колодки должны иметь не больше одного провода на каждой клемме. При выборе колодок нужно рассчитывать на то, чтобы при подключении оставались свободные клеммы. Шины должны быть промаркированы по правилам ПУЭ .
- Электрощиток должен быть заземлен
. это относится как корпусу, так и к его дверцам. - Дверцы электрощитка должны предусматривать элементы для опломбирования.
- Следует обратить внимание на наличие технического паспорта с указанием сертификационных данных и характеристик.
- Для соединения автоматов между собой нужно использовать специальные шинопроводники «гребенка».
Следуя правилам, описанным в ПУЭ и ГОСТ, можно установить электрощит самостоятельно, для этого нужно разработать схему подключения.
Схема сборки и подключения
Для создания схемы электрического щита нужно определить тип системы электроснабжения в доме, разделить потребители электроэнергии на несколько групп, и на основании этих данных создать схему,
Тип системы электроснабжения может быть указан в щите на лестничной площадке, иначе это можно выяснить, обратившись в ЖЭК. Есть три типа системы, которые различаются способами электроснабжения и заземления: ТN-С, ТN-S, ТN-С-S.
ТN-С – старый тип энергоснабжения. проводка в квартире включает в себя двухжильный медный или алюминиевый кабель, кабель в щите совмещает ноль и землю.
ТN-S, ТN-С-S — это более современные системы снабжения. используют трёхжильный кабель для проводки в квартире и раздельный кабель для нуля и заземления в щите на этаже.

Затем следует разделить потребители электроэнергии на несколько групп. Например, можно разбить по группам точки подключения розеток в каждом отдельном помещении, выключатели, крупные потребители электрического тока вроде кондиционера или бойлера. Учитывая все эти характеристики, для каждой группы выбирается отдельный автомат .
После этого начинают рисовать схему электрощита. На ней указывают все элементы, используя графические обозначения по ГОСТ 21.614. а также все потребители тока, которые к ним подключены.
Схема сборки и подключения электрощита в квартире:

Используя схему подключения, можно начинать монтаж электрощитка.
Монтаж и установка своими руками
Сначала необходимо выбрать электрощиток. Для этого нужно определиться с типом щитка. Скрытые щитки рекомендуется устанавливать при скрытой проводке, при открытой проводке лучше установить навесной щиток.
Если в квартире нет специальной ниши для установки встроенного щитка. то ее придется сделать самостоятельно, что создает дополнительные трудности, зато такой щит будет хорошо замаскирован.

Следующий этап зависит от того, на сколько групп были разбиты все потребители электроэнергии на этапе разработки схемы щитка. От количества зон зависит количество применяемых автоматов. а также размер корпуса, куда они будут установлены.
Корпус следует выбирать с запасом по количеству устанавливаемых автоматов, это позволит сэкономить, если придется модернизировать систему электроснабжения. Перед монтажом щита необходимо выбрать его местоположение в квартире.
Щит должен находиться в легкодоступном месте на высоте 1.5-1.7 метров от уровня пола, таким образом, чтобы он не был загорожен мебелью или дверьми. Место для размещения щитка выбирается один раз, поэтому стоит ответственно подойти к его выбору.
Следует также учитывать, как будут размещены остальные предметы мебели и интерьера. Если устанавливается распредщит скрытого типа, то необходимо выбрать место, где может быть устроена ниша для него.
Следующие действия необходимо проводить только при отключенном энергоснабжении. Отключив электричество, следует завести кабель внутрь корпуса через кабельные вводы, предварительно убрав заглушки.
На этом установка электрощитка окончена, дальнейшая задача – установка и подключение автоматов .
Предлагаем вам посмотреть видео — рекомендации по монтажу встраиваемого шкафа для электрощитка и как правильно собрать электрощит в квартире своими руками от специалиста широкого профиля:
Монтаж электрощитка не является чем-то сложным, его вполне можно осуществить самостоятельно. Нужно только разбираться в его устройстве, соблюдать все требования ГОСТ и ПУЭ. а также правила электробезопасности. А после установки, проверить правильно ли работают все элементы.
Сборка распределительного щитка своими руками для квартиры
В данной статье будет поэтапно рассмотрен весь процесс выбора и установки в квартире электрического щитка, а также будут описаны распространённые ошибки новичков, чтобы самостоятельно собрать квартирный электрощиток своими руками, не прибегая к услугам электрика.

Подготовительный этап
Как правило, электрический щиток в квартире устанавливается уже после того, как проложена электропроводка, и необходимые кабели сведены в одно запланированное под установку электрощитка место. Если в связи с какими-то причинами щиток установлен прежде проводки, то его необходимо будет уберечь от загрязнения при ремонте.
Особенно много пыли будет при штроблении стен под скрытую электропроводку. Касательно прокладываемых кабелей нужно правильно рассчитать сечение проводов, и разделить потребителей электроэнергии в квартире на группы.

скрытая проводка в квартире до электрического щитка
Устанавливаемая проводка должна обязательно включать провод заземления PE. Желательно делать разводку кабелями с разноцветными жилами, и критически важно маркировать каждый выходящий к щитку провод.

болт заземления для Эл. щитка
Если это не сделано (распространённая ошибка новичков), то, даже не имея в наличии электрощитка, можно уже приступить к работам, занявшись прозвонкой и маркировкой проводов .

пример расположения автоматов и УЗО в Щитке с заземлением
Выбор безопасного распределительного щитка для квартиры
Многие пользователи, выбирая данное устройство, ошибочно руководствуются в первую очередь эстетическими соображениями, отодвигая остальные критерии на задний план.
Если для поиска в сети интернет использовать фразу:
«электрощиток распределительный квартирный «, то поисковик выдаст множество вариантов изящных изделий, которые органично впишутся в интерьер помещения. Но нужно помнить, что квартирный щиток, прежде всего, должен соответствовать критериям противопожарной безопасности, поэтому необходимо, чтобы он был изготовлен из металла или огнеупорного пластика.

монтаж металлического эл. щитка внутренней установки закрывающийся на ключ
Крышка электрощитка должна обеспечивать не только эстетику оформления квартиры, но и быть достаточно надёжной, ведь её главная функция — это защита от случайного прикосновения к токонесущим поверхностям клемм подключения модульных устройств.
Особенно это важно, если в квартире проживают дети, поэтому, даже если щиток устанавливается на недоступной для них высоте, следует принять дополнительные меры предосторожности, и выбрать электрощиток с крышкой, закрывающейся на ключ.
Выбор щитка по вместимости
В комплектацию квартирного щитка обычно входит уже встроенная DIN рейка. Если её нет, то должны быть предусмотрены крепёжные отверстия, в этом случае, будет необходимо приобрести DIN рейку нужной длины дополнительно.

Автомат на DIN рейку
Также в комплект электрощитка, как правило, входят распределительные шины – нулевая на изоляторах (если щиток металлический) и PE шина, для подключения заземляющих проводников.

монтаж щитка с шинами заземления и зануления
Некоторые электрические щитки для квартиры продаются с встроенным счётчиком учёта электроэнергии, и имеют пломбируемый отсек. В большинстве случаев защитные автоматы и устройства защитного отключения, называемые УЗО, пользователи выбирают самостоятельно, исходя из собственных расчетов нагрузки на электропроводку .

Щиток с встроенным счетчиком эл. энергий

В квартирный электрощиток также принято ставить реле контроля напряжения. ограничители потребляемой мощности, различные сигнальные устройства и модульные розетки.
Очень часто в подобных щитках устанавливают коммуникации, не связанные с энергоснабжением – распределительные коробки для кабелей подключения сети интернет, кабельного телевидения, проводного радио.
Поэтому,электрощиток, устанавливаемый в квартиру, должен выбираться достаточно емким и с некоторым запасом для возможной будущей установки дополнительных модулей и устройств.
Выбор щитка по качеству
Далее необходимо определиться с вариантом установки и выбрать изготовителя квартирного электрощитка. Вариантов по типу установки может быть всего два – для скрытой и открытой (наружной) электропроводки.

Щиток открытой установки
Совершенно нет смысла при скрытой проводке использовать накладной квартирный щиток, и наоборот, поэтому решение данного вопроса будет дано ещё на этапе планировки электропроводки в квартире. Выбору производителя электрощитка стоит уделить особое внимание – многие владельцы квартир, пытаясь сэкономить, покупают товар «безымянного» китайского производства, и потом в отчаянии, полные раскаяния, не знают, что им делать.

Распред щиток скрытой установки
Для примера, можно представить ситуацию, когда в отремонтированной квартире, на фоне красивых обоев у электрощитка вдруг отвалилась крышка, или внутренняя электронная «начинка» щитка норовит вывалиться наружу из-за некачественного пластика, который не держит саморезы и другие крепёжные приспособления.
Нужно помнить, что замена щитка равносильна локальному ремонту, поэтому следует очень основательно относиться к выбору, руководствуясь критериями качества и надёжности.
Начертить электромонтажную схему щитка
Многие новички, особенно те, которые уже имеют некоторый опыт электромонтажа, чувствуя себя профессионалами, делают электромонтаж в квартирном щитке, держа схему в голове, что является грубейшей ошибкой, которую настоящие мастера никогда не допускают.

Пример схемы сборки распред Щитка
Несмотря на то, какие навыки и память у профессионального электрика, он всегда будет составлять схему подключения, хотя бы для того, чтобы он (или кто-то другой) в будущем, занимаясь обслуживанием, ремонтом или модернизацией щитка, не тратил время на разбирательство в хитросплетении проводов.
К тому же, блуждая в лабиринтах собственной памяти, легко допустить ошибку, которую потом, не имея схемы щитка, очень трудно будет обнаружить. Универсальной схемы для квартирного щитка не может быть ввиду индивидуальности потребностей, но существуют общепринятые принципы комбинирования электрощитков.

Подключение в щитке электросчётчика и устройств до него должно осуществляться официальными службами, будем считать, что оно уже сделано.
После счётчика (или до него), идёт входной защитный автомат, потом часто ставят УЗО, (общее для всех групп) а от него, с помощью перемычек, осуществляются подключения автоматических выключателей для отдельных линий потребителей, подключаемых к квартирному щитку, которые также могут защищаться собственными УЗО.

Шина заземления и зануления
Следует избегать распространённой ошибки с нулями при подключении УЗО и дифавтоматов, и предусматривать в квартирном щитке для каждого подобного устройства индивидуальную нулевую изолированную шину.
Электромонтаж
При монтаже наружного варианта электрощитка он прикручивается шурупами на дюбелях. Монтируя квартирный щиток скрытой установки, необходимо перед его фиксацией завести вовнутрь корпуса все входящие провода, после чего зафиксировать в предварительно выдолбленной нише при помощи раствора алебастра.

Для электромонтажа потребуется минимальный набор инструментов:
- Крестообразная и прямая отвертка;
- Кусачки или плоскогубцы;
- Монтажный нож для снятия изоляции, или специальный инструмент;
- Мультиметр для прозвонки проводов .

Будет не лишним приобрести набор термоусадочных трубок для маркировки. Расположив модульные устройства в нужном порядке, необходимо расположить провода в щитке рационально и эргономично, не допуская, чтобы они переплетались по множеству раз.

Набор термоусаживающих трубок
Следует начинать с подключения вводной линии, убедившись, что на проводах нет напряжения. Подведя к клеммам подключения нужные провода и изогнув их должным образом, откусить лишнее, учитывая запас на вхождение провода в монтажное гнездо модульного автомата.
После этого с провода снимается изоляция таким проводом, чтобы оголённый проводник целиком помещался в гнезде подключения, при этом, не выступая над автоматом. Процессу зачистки проводов следует уделить особое внимание, не допуская надрезов или надломов металлических жил, иначе в этом месте кабель будет перегреваться.

Стриппер для снятия проводов с изоляции
Зажимать провода следует с осторожностью, стараясь не повредить зажимы и не продавить заднюю стенку щитка.
Данную процедуру повторить для всех проводов поочерёдно, один за другим. Таким же способом отрезаются и подключаются перемычки.
Проверка и профилактика щитка
После завершения подключений, следует прогрузить автоматы электрощитка, подключив на внутренние электрические линии квартиры имеющуюся нагрузку (электрооборудование), на которую рассчитывались защитные выключатели.

Проверка квартирного щитка
Присматривая в течение часа за щитком в таком режиме эксплуатации, следует убедиться в отсутствии характерного запаха горелой изоляции, проверить, насколько нагреваются автоматы.
Если никаких претензий к работе электрощитка нет, то его подключение можно считать успешным.
Раз в полгода в щитке следует производить профилактику подключений – подтягивать винтовые зажимы проводов на клеммах модульных устройств.
Похожие статьи

Рассчитать сечение провода по мощности

Правильное подключение счетчика

Распределительный щиток в квартире

Подключение проточного водонагревателя

Терморегуляторы для систем отопления, а также их подключение

Лазерный дальномер INSTRUMAX Sniper 30 1791 р.

Реле времени цифровое Orbis DATA MICRO 2+ 2 канала OB171912N 4075 р.

МАГНИТНЫЕ КАБЕЛИ ДЛЯ ЗАРЯДКИ IPHONE, IPAD И ANDROID 1990 р.

Много
функциональный инструмент Dremel 200-5 F0130200JD 2715 р.

LED прожектор X-flash Floodlight 50W 220V, датчик движения и освещенности 2990 р.
Поделитесь статьей с друзьями:
Сборка электрического щита
Схемы электрических щитов
Выбор схемы электрического щита зависит от количества комнат, числа розеток, наличия мощных потребителей электроэнергии. Поэтому схемы электрических щитов будут различны. Например, схема электрического щита в квартире будет выглядеть приблизительно так.

Приблизительная схема электрощита квартиры
Для составления похожей схемы нужно определить число потребителей нагрузок.
Группа розеток — в спальне, гостиной, в кухне, для детской, прихожей.
Группа освещения – спальня, гостиная с кухней также санузел с прихожей.
Группа больших нагрузок — электроплита, кондиционер и бойлер со стиральной машиной.

Схема электрического щита с УЗО и защитным заземлением
Электрический щит устанавливается ближе к месту ввода кабеля в дом или квартиру. К этому же месту подводится вся электропроводка всех групп нагрузок с маркированными бирками. Электропроводка группы больших нагрузок и розеток прокладывается к электрическому щиту напрямую без захода в распределительную коробку.
Выбор электрического щита и его компонентов
Далее собирается корпус электрощита. Размер электрического щита должен быть просторным, с учетом дополнительной установки автоматов. Электрощиты могут быть металлическими или из термоустойчивого пластика. Также электрощит может быть навесным или встраиваемым в стену.

Электрический щит из термоустойчивого пластика
Если электропроводка помещения наружная, по кабельным каналам, то электрощит выбирают навесной. Крепится он через отверстия в задней стенке к поверхности стены. Встраиваемый электрощит удобно устанавливать, если в помещении проведена скрытая электропроводка.
Для этого в стене делается не глубокая ниша с небольшим запасом для прокладки кабелей. Дверца электрощита должна запираться на замок, от детей. Выбираем автоматы и устройство защиты УЗО по расчетной нагрузке потребителей. Для нулевого провода N и защитного заземления PE нужно приобрести специальные шины заземления с клеммами.
Компоновка и монтаж электрического распределительного щита
Электрический щит устанавливается на высоту, удобную для вашего обслуживания. На задней стене устанавливается несколько рядов DIN – рейки (в зависимости от числа автоматов, УЗО). В одном ряду (модуле) ставятся автоматические выключатели одной группы.
Автоматы выбираются под свою нагрузку, например для электроплиты — 25 А, для освещения 10 А. При броске напряжения в сети, автоматы электрической цепи должны отключаться от нижестоящего автомата по схеме, к вышестоящему. Нижестоящие автоматы, имеющие «уставку» времени отключения, устанавливают на 0,1 сек. вышестоящие автоматы по схеме на 0.5 сек.
Например, автоматы в группе устанавливают на 0.1 сек. а «уставку» вводного автомата устанавливают на 0.5 сек. Если устанавливается УЗО, то их номинальный ток должен быть выше номинального тока автомата. Допустим, автомат розеток стоит на 16А, то УЗО должен быть 25 А, в целях защиты УЗО.

Электрический для дома или квартиры со счетчиком и защитным УЗО
Как правило, в квартирах счетчик устанавливается в электрощите в подъезде, а в квартирном электрическом щите ставится вводной автомат и групповые автоматы. В электрическом щите для дома устанавливается счетчик, вводной автомат и групповые автоматы. Вводной автомат обычно устанавливается в левом верхнем углу щита. Кабель к нему может подводиться как сверху, так и снизу.
Некоторые электрики ставят вводной автомат в ряд с другими автоматами, а силовой кабель подключают к нижним клеммам вводного автомата и от верхних клемм автомата ведут перемычки на верхние клеммы нижестоящих по схеме автоматов (автоматов в ряду).

Электрический щит для дома с сетью 380 В
Чтобы не путаться с подключением фаз автоматов, вводной автомат крепят на модуль выше других автоматов, а силовой кабель заводят на верхние клеммы вводного автомата (как принято вести подходящие фазы сверху). С нижних зажимов вводного автомата ведут перемычки фаз между другими автоматами.
Эти перемычки можно ставить гибким проводом с наконечниками, монолитным медным проводом и специальной медной «гребенкой». Монтаж при сети 380В в доме проводится так же, как и для сети 220В. Отличие в трехфазном счетчике, трехполюсном вводном автомате и в трехфазном УЗО.

Схема трехфазного электрического щита
С нижних клемм трехполюсного вводного автомата разводят три фазы L1, L2 и L3 по группам автоматов таким образом, чтобы нагрузка всех трех фаз была примерно одинаковой, не допуская перекоса фаз. При монтаже в электрощите делается небольшой запас концов кабелей.
Скручивать в бухту кабеля запрещается. После окончания монтажа устанавливаются заглушки на верхней и нижней стенке щита. В комплекте электрического щита имеется клеящаяся бумага, которая предназначена для маркировки автоматов. Проверяя щит, отдельно включают каждый автомат при закрытой декоративной крышке электрического щита.
Тоже интересные статьи

Менять или нет алюминиевую проводку в квартире

Ремонт электропроводки. Ремонт электропроводки в квартире своими руками

Схема электропроводки в частном доме

Цветовая маркировка проводов и жил кабелей
Электрическая схема щитка квартирного | elesant.ru
От автора
Здравствуй Уважаемый читатель! Сегодня, тема дня на сайте Elesant.ru: Электрическая схема щитка. Надеюсь, она будет вам интересна.
Электрический щиток в квартире
Любая электрическая проводка в жилом помещении состоит из электрического ввода, электрощитка и групповой электрической сети, которая распределяет электропитание от щитка по всему помещению. Но многие из вас могут сказать, что у них в квартире нет никакого щитка. Но это не совсем так. Даже если у вас в квартире нет щитка, как такового, он просто расположен на этаже и является частью общего этажного распределительного щита (ЩЭ).
Если вы откроете этажный щиток, то увидите ряд автоматов защиты, отдельно сгруппированных и предназначенных для вашей квартиры. Эта группа автоматов защиты для вашей квартиры отличается от отдельного квартирного щитка в проводке квартиры только отсутствием отдельного корпуса и местом расположения. В остальном подвод питания, соединение автоматов и распределение электропитания по группам то же самое.
Электромонтаж квартирного щитка производится на основе электрической схемы. Если вы приобретаете щиток в сборе, то электрическая схема щитка должна прилагаться. Если вы предполагаете монтировать щиток самостоятельно, то нужно позаботиться чтобы схема щитка делалась вместе с электропроектом. А если вы имеете техническое образование можно сделать схему электрощита самостоятельно.
Как произвести расчет электрической сети жилого помещения читайте в отдельной статье : Расчет сечения кабеля, автоматов защиты. Здесь же я на примере, расскажу, как читать электрическую схему щитка, приведу несколько примеров и в конце статьи дам ссылку на скачивание 19 электрических схем щитков. Схемы можно скачать непосредственно с сайта без сторонних переадресаций бесплатно.
Электрическая схема щитка
На электрической схеме ниже вы видите схему щитка. Схема щитка выполнена для трехпроводной электрической сети. Трехпроводная электрическая сеть делается для электропитания помещения при однофазном электрическом вводе.

В трехпроводной сети один провод выполняет роль фазы, второй – роль рабочего нулевого проводника, третий-провод заземления. На электрических схемах условно они обозначаются латинскими буквами. Фаза-L(line), рабочий ноль-N(neutral),провод заземления-PE.
Если вы посмотрите на электрическую схему щитка, вы увидите, что на вводе питание обозначено двумя проводами, PEN и L, а после шины подключения проводов становиться три(L;N;PE). Поясню, что это значит.
Это схема электропитания помещения по ,так называемой, схеме заземления TN-C-S. Это значит, что нулевой рабочий проводник (N) и провод заземления (PE) в подстанции объединены и подсоединены к глухозаземленной нейтрали питающего трансформатора. Разделяются они только в этажных распределительных щитах.
Для справки: Существуют схемы заземления TN-C, при которой нейтраль и земля объединены на всем протяжении цепи и схема заземления TN-S при которой нейтраль и земля полностью изолированы друг от друга. Но это тема отдельной статьи. (о системах заземления читайте статью: Система питания. Системы заземления)
Рассмотрим электрическую схему дальше.
Условные обозначения на электрической схеме щитка
На схеме я постарался подробно определить все условные обозначения элементов схемы щитка. Остается дать им пояснения.

Вводной автомат защиты. Устройство, предназначенное для защиты всей электросети от токов короткого замыкания, а также для общего принудительного отключения помещения от электропитания.
Электрический счетчик. Устройство для контроля расхода электроэнеогии. Значение расхода показывает в Киловатт в час (кВт/час). По показаниям электрического счетчика производится оплата за электричество. Электросчетчики могут быть электромеханические и электронные. Последние программируются.
Дифференциальный автомат защиты. Это электромеханическое устройство, объединяющее в себе автомат защиты от короткого замыкания и УЗО (устройство защитного отключения) для защиты человека от токов утечки.
Шины подсоединения проводов. Каждый электрический щит комплектуется как минимум двумя шинами. Одна для нулевых проводов, вторая для проводов заземления. В приведенном примере электрической схемы щита таких шин 4(N;N1;N3;N4)
В щите предусмотрены две отдельные функциональные группы (справа на схеме). Одна группа на два ответвления, вторая на три. Например, этот вариант подойдет для отдельных функциональных групп ванной и кухни. Или каких нибудь пристроек к дому.
Другие статьи раздела: Электромонтаж
Нормативные ссылки:
- ПУЭ(Правила Устройства Электроустановок) изд.7
- ГОСТ Р 51628-2000,Щиты распределительные
- ГОСТ 2.702-75,Правила выполнения электрических схем
- (Нормативные документы)
Схемы электрощитков(функциональные):
Электросхемы ЩИТКОВ КВАРТИРНЫХ(принципиальные),простые боксы
Щиты автоматического переключения питания (ЩАП)
Сборка электрического щита для 3-комнатной квартиры
Здравствуйте, уважаемые читатели сайта elektrik-sam.info!
Предлагаю вашему вниманию несложный малобюджетный распределительный щит для 3-х комнатной квартиры на базе Hager Volta 48 модулей.
После согласования технического задания с заказчиком, приступая к проектированию силового щита и слаботочной сети, надо было учесть такие пожелания:
— предусмотреть резерв для возможности последующего расширения и добавления новых аппаратов защиты;
— установку слаботочного щита справа от распределительного, т.е. в ряд и такого же размера;
— обеспечить достаточно свободного места внутри электрического щита для последующего подключения отходящих линий.
В результате был выбран распределительный щит Hager Volta на 48 модулей, т.е. четыре DIN-рейки по 12 модулей. Такое решение обеспечит достаточно свободного места внутри для коммутации и последующего наращивания системы.
Слаботочная сеть квартиры будет состоять из телевизионной и компьютерной сети, домофона с выводом изображения на экран телевизоров и охранной сигнализации. Все слаботочные сети квартиры будут сводиться в слаботочный щит, в котором будет происходить подключение и установка активного и пассивного оборудования. В качестве слаботочного щита запроектирован мультимедийный щит Hager Volta на 48 модулей, и уже под него, учитывая пожелания заказчика и то, что щиты будут установлены рядом, силовой электрический щит спроектирован и собран в корпусе на 48 модулей.
В последнее время для небольших решений в своих проектах я применяю только щиты Hager Volta. Почему? Можете посмотреть мой подробный авторский обзор этих распределительных щитов.
Таким образом, у нас будет два рядом установленных щита одной серии и одинакового форм-фактора — практичное и эстетичное решение!
Давайте перейдем к рассмотрению архитектуры распределительного щита для рассматриваемой 3-х комнатной квартиры.
В этажном распределительном щите на лестничной площадке установлен выключатель нагрузки на 63А, затем счетчик электроэнергии и автоматический выключатель С25, ограничивающий входную мощность в 5 кВт. Далее вводной кабель в квартиру и в коридоре будет смонтирован квартирный распределительный щит, который мы далее и рассмотрим.
Все модульные аппараты защиты применены Hager.
Компоновка распределительного щита
Я уже подробно рассматривал основные принципы компоновки при проектировании и сборке распределительных щитов. В рассматриваемом электрощите принята компоновка (т.е. расположение устройств внутри самого электрощита) в ряд по группам.
Ввод
На первой DIN-рейке на вводе распределительного щита установлен выключатель нагрузки и реле контроля напряжения.
Выключатель нагрузки позволяет при необходимости полностью обесточить весь электрический щит для проведения работ по ремонту или обслуживанию как распределительного щита, так и всей квартирной электропроводки в целом.
Реле контроля напряжения ZUBR обеспечивает защиту домашней электросети от скачков и перепадов напряжения в питающей сети, а также защиту от обрыва нуля.
Позже, по мере финансовых возможностей и покупке оборудования для слаботочной сети, заказчик добавит сюда как автоматический выключатель для слаботочного щита, так и другие устройства, которые пока только обдумываются.
Кухня
На второй DIN-рейке установлено групповое УЗО кухни, а после него автоматические выключатели для потребителей кухни:
— электро-духовка;
— розетки кухни;
— кондиционер кухни.
Розетки комнат
На третьей DIN-рейке смонтировано групповое УЗО розеточных групп, далее автоматические выключатели по комнатам:
— розетки комнат;
— два кондиционера;
— освещение квартиры.
Санузел
На последней DIN-рейке находится групповое УЗО санузла, далее после него:
— стиральная машина;
— свет туалета и ванной.
Сборка распределительного щита
После утверждения и согласования технического задания с заказчиком, была спроектирована схема распределительного щита в связке с компоновкой. После проектирования была выполнена сборка щита.
Вначале были промаркированы с помощью наклеек все модульные устройства.
Далее вся модульная аппаратура была установлена на DIN-рейки, в соответствии с компоновочной схемой и закреплена ограничителями.
Затем, в соответствии с разработанной схемой, было произведено подключение между устройствами внутри щита. Для этого применен провод ПВ-3 6 мм2 двух цветов: красный для подключения фазных проводников, синий — для нулевых.
Для зачистки проводов использовался специальный съемник изоляции — стриппер. После зачистки, провода были обжаты штыревыми наконечниками — одинарными для одного провода НШВИ 6-12, двойными для двух проводов НШВИ2 6-14. Наконечники опрессованы специальным инструментом — кримпером.
Для подключения нескольких групповых автоматических выключателей применены специальные фазные распределительные шины — «гребенки».
Наклейки на электрический щит
По согласованию с заказчиком был выбран один из нескольких предложенных вариантов дизайна наклеек. Они были изготовлены, распечатаны и наклеены.
Каждый цвет наклеек соответствует соответствующей группе: желтый — кухня, зеленый — розеточная группа, голубой — санузел. Каждая группа отдельным цветом и на отдельной DIN-рейке, все логично и просто для восприятия.
После сборки распределительный щит будет протестирован, затем в пустых местах на пластроне будут установлены заглушки, вложена необходимая документация, инструкция по монтажу и щит отправлен заказчику.
Более подробно обзор электрощита для 3-х комнатной квартиры смотрите в видео:
Распределительный щит в квартире
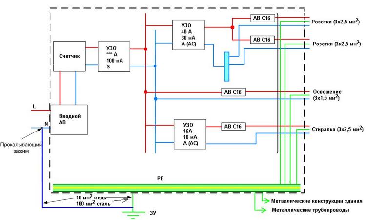
Схема подключения щитка в квартире
Схема электрического квартирного щитка — однофазный вариант
Перед тем как физически монтировать распредщиток у себя в квартире, нужно точно определиться на бумаге со схемой электрощитка. Какое модульное оборудование ставить, сколько и каким номиналом будут автоматические выключатели, монтировать ли диф.автоматы и УЗО? В какую цену обойдется та или иная комплектация? Большинство этих вопросов с приведением самих схем будет отображено в статье.
Стоит заметить, что все нижеприведенные схемы предназначены именно для однофазных квартирных щитков непосредственно расположенных у вас в квартире. Предполагается что щиток учета со счетчиком и вводным автоматом уже стоит в этажном щите. Соответственно его изображение на схемах не присутствует. 
Нормативные документы и правила по щиткам
Все схемы и квартирные щитки должны собираться в соответствии с нормативными документами и не противоречить прописанным там указаниям и правилам. Прежде всего это конечно ПУЭ, но есть еще два документа на которые стоит обратить пристальное внимание:
- ⚡ГОСТ 32395-2013 Щитки распределительные для жилых зданий. Общие технические условия. (скачать)
- ⚡Свод правил по проектированию и строительству СП 31-110-2003 «Проектирование и монтаж электроустановок жилых и общественных зданий» (скачать)
Требования из правил по квартирным щиткам
Замечания и требования из вышеуказанного ГОСТ на которые стоит обратить внимание при сборке и выборе квартирного щитка: 
Упрощенная схема квартирного щитка

Данная схема подходит для небольших одно или двух комнатных квартир. Там где общая длина всех проводов и кабелей не превышает 300-400м.
На вводе стоит выключатель нагрузки, а не автомат. Если на этажном распредщите у вас уже смонтирована защита, после или до счетчика (проверьте это перед тем как собирать данную схему), то ставить автомат еще и на вводе не обязательно. Чем лучше выключатель нагрузки от автомата можно узнать из статьи Модульный выключатель нагрузки или вводной автомат.
Номинальный ток вводного аппарата для квартир с эл.плитами и однофазной нагрузкой должен быть от 40А и выше.
Снизу обозначены групповые кабели запитывающие те или иные группы, с указанием марки кабеля и его сечения в зависимости от нагрузки. Отходящие цепи освещения выполненные кабелем 1,5мм2 защищаются автоматом 10А, розеточные группы сечением 2,5мм2 — 16А.
На дифференциальный автомат подключен санузел, т.е. розетки, освещение и все потребители в ванной совмещены в одну группу. Причем ток утечки на диффе выбран 10мА.
Некоторые электрики ставят на 30мА, мотивируя это возможными ложными срабатываниями. В правилах нет конкретного запрета, оговаривается что данная защита не должна быть более 30мА. Почему все таки лучше поставить на 10мА, можно понять ознакомившись с тем, как ток определенной величины влияет на ваше тело: 
Правда в магазинах чтобы прибрести диф.автоматы на 10мА, скорее всего придется делать заказ. В основном в свободной продаже преобладают именно устройства с током утечки на 30мА.
Варочная панель и духовой шкаф запитаны по отдельным группам, подразумевается что это два разных потребителя. Если у вас эл.плита, то есть когда варочная с духовкой вместе, нужно менять питающий кабель и автомат защиты:

Если вас беспокоят перебои с напряжением и вы хотите защитить свое оборудование от его скачков, тогда можно немного увеличить стоимость схемки, добавив на ввод реле напряжения. Здесь схематично изображено реле марки УЗМ-51М, как наиболее простое в подключении (вход-фаза+ноль и выход-фаза+ноль).

Плюсы данных схем:
- ⚡недорогая
- ⚡оптимальный вариант для маленьких квартир
- ⚡проста в монтаже и подключении
Большой минус схемы в том, что при утечке тока в других линиях кроме санузла, защита работать не будет.
Данную схему можно улучшить поставив на ввод УЗО. Перед этим убедитесь, что в этажном щите где расположен ваш счетчик, установлен автоматический выключатель, так как УЗО без автомата ставить запрещено. Если там уже стоит УЗО или дифавтомат, то дублировать защиту не имеет смысла. Схемка с УЗО на вводе будет вот такой:

Один нюанс — если у вас общий расход кабеля в проводке квартиры от 400м и более, то возможны ложные срабатывания вводного УЗО из-за суммарных утечек тока. Здесь уже целесообразно применить УЗО на отдельные группы, убрав из схемы квартирного щитка вводное.
Схема электрощитка в квартире с УЗО в отдельных группах

Данная схема уже более совершенна. Ее можно применять как в небольших квартирах, так и в квартирах с общей длиной проводки превышающей 400м. Здесь нет вводного УЗО, так как достаточно выключателя нагрузки (не забывайте про автомат в этажном щите со счетчиком).
Номинальный ток вводного аппарата выбран исходя из разрешенной мощности для квартир с однофазной нагрузкой равной 11квт и коэффициенте спроса для квартир повышенной комфортности — 0,8.
Присутствует защита от утечек тока на отдельных группах розеток и сплит системы (кондиционера). Причем один защитный аппарат УЗО стоит на объединенных группах, каждая из которых в свою очередь защищена от перегрузок автоматическими выключателями.
Линии освещения целесообразно защищать от утечек, если вы применяете настенные светильники с металлическими корпусами и периодически их протираете или меняете лампочки не выключая напряжение. В большинстве случаев здесь можно обойтись простыми автоматами.
Та же схемка, но с реле напряжения:

Цена комплектации квартирных щитков
Расценки только на комплектующее модульное оборудование (автоматы, УЗО, реле напряжения, выключатели нагрузки) разных производителей для сборки всех вышеприведенных схем сведены в одну таблицу. Цены взяты из интернет магазинов и в вашем регионе могут существенно отличаться.
| Наименование схемы | Производитель и цена | ||||
|---|---|---|---|---|---|
| IEK | ABB | Legrand | Schneider | КЭАЗ | |
| Схема №1 | 1700р | 6700р | 7300р | 4300р | 2100р |
| Схема №2 | 1600р | 6600р | 7200р | 4200р | 2000р |
| Схема №3 | 4200р | 9200р | 9800р | 6800р | 4600р |
| Схема №4 | 2400р | 6900р | 8100р | 5100р | 2700р |
| Схема №5 | 3400р | 9700р | 10300р | 7500р | 3700р |
| Схема №6 | 5900р | 12200р | 12800р | 10000р | 6200р |
Все приведенные схемы являются лишь одним из множества вариантов компановки электрощитка в квартире. Целью статьи было показать их отображение в графическом виде и сделать примерное сравнение денежных затрат на модульное оборудование в том или ином исполнении. В каждом индивидуальном случае все должно просчитываться согласно нагрузкам, количества оборудования, физического места в распредщите и ваших финансовых возможностей.
Однофазная схема распределительного щита — 5 разных вариантов
Сегодня практически ни один объект не может обходиться без электричества, так как в них нужны розетки для подключения электрооборудования и освещение помещений. Все квартиры, дома, офисы, гаражи, склады и так далее имеют разветвленную сеть электроснабжения. Для ее защиты, для электробезопасности людей, для эффективного управления электросетью необходимо устанавливать распределительные электрощиты. В них находятся коммутационные защитные устройства, которые выполняют все перечисленные выше функции. В щите происходит распределение на группы, что позволяет добиться удобной и независимой друг от друга эксплуатации мощной бытовой техники.
Все объекты разные и соответственно их сети электроснабжения тоже будут разными. Ниже рассмотрим несколько простых примеров, где показаны пять вариантов однофазных схем электроснабжения квартир и частных домов.
Общие принципы построения любой схемы щитка:
- На вводе должно стоять вводное коммутационное устройство. Это может быть автоматический выключатель или рубильник (выключатель нагрузки).
- Все отходящие от щита групповые линии должны иметь защиту от перегрузки и от действия токов короткого замыкания.
- Все розеточные группы должны иметь защиту человека от поражения электрическим током. Для этих целей ставятся устройства защитного отключения (УЗО) или дифавтоматы с током утечки 10-30мА.
Вариант 1

Это самая простая схема вводного щита с прибором учета электроэнергии. На ней изображена система заземления TN-S, то есть когда от источника питания приходят отдельные самостоятельные нулевой рабочий и нулевой защитный проводники. В данной однофазной схеме щита на вводе стоит двухполюсный автоматический выключатель.
Здесь и на последующих схемах номиналы и характеристики защитных устройств выбраны произвольным образом. У вас они могут отличаться, но сама суть соединений между автоматическими выключателями и другими защитными устройствами остается такой же.
После вводного автомата идет счетчик. Для принятия его на учет должны пломбироваться вводное коммутационное устройство и сам прибор учета электроэнергии. Далее идут однополюсные групповые автоматические выключатели. Фаза всегда подается на автоматические выключатели, а ноль на нулевую шину. Так получается, что все нулевые рабочие проводники разных групп объединяются между собой, а фазные проводники коммутируются с помощью автоматов.
Данный вариант схемы является самым простым и очень часто встречается на различных объектах.
Вариант 2

Данный вариант щита является аналогичным предыдущей схемы. Тут только отсутствует прибор учета электроэнергии. Такие варианты щитов используются если счетчики находятся на улице в щитах учета или на лестничной площадке в этажных щитах. Первый вариант актуален для частного сектора, а второй для многоквартирных домов. Так как практически все соединения между защитными устройствами описаны в первом варианте, то особо комментировать тут нечего.
Единственное, что здесь можно отметить — это на вводе вместо установки автоматического выключателя можно выбрать рубильник (выключатель нагрузки). Он необходим для ручного отключения всего щита. Установка тут автомата приведет к дублированию номинала вводного автоматического выключателя из щита учета или из этажного щита. Этого делать не нужно.
Вариант 3

Как я выше писал, что все группы розеток должны иметь защиту от утечек тока, то есть должны защищаться с помощью УЗО. В третьем варианте схемы представлено вводное УЗО, которое устанавливается после счетчика. До прибора учета УЗО нельзя ставить, так как его нужно будет пломбировать, что не хотят делать инспектора. Поэтому они его разрешают ставить только после счетчика.
Для защиты человека нужно использовать УЗО с токами утечки 10-30мА. Это безопасный ток для человека, при котором он способен отдернуть руку и не получить каких-либо увечий. У варианта с использованием на вводе одного УЗО на 30мА есть один минус. При его срабатывании отключается вся квартира, дом и т.д. Также если сеть сильно разветвлённая, то УЗО может ложно срабатывать из-за естественных токов утечек, которые присутствуют в каждой бытовой технике.
В данном варианте фаза и ноль подаются на вводные контакты УЗО. Далее с выходных контактов фаза подается на автоматические выключатели, а ноль на свою нулевую шину. Запомните, что ноль до УЗО и ноль после него нельзя объединять между собой, то есть подключать к одной шине. Иначе устройство защитного отключения вы просто не взведете, так как оно будет сразу отключаться.
Вариант 4

В данном варианте схемы на вводе стоит противопожарное УЗО на 100-300 мА, а дальше некоторые группы защищаются индивидуальными УЗО на 10-30 мА. Для исключения одновременного срабатывания вводного и группового устройств на вводе рекомендуется ставить селективное УЗО. Оно имеет временную задержку на срабатывание и обозначается на корпусе латинской буквой «S».
В данной схеме нужно не запутаться с подключением нулевых рабочих проводников. Нули после разных УЗО нельзя объединять между собой, иначе устройства будут сразу отключаться. Поэтому после каждого УЗО нужно ставить свою нулевую шину если к нему подключено несколько групп или нулевой рабочий проводник нужно сразу подключать к УЗО, если оно защищает одну группу. Ниже на схеме это как раз и показано.
Вариант 5

В данном варианте для защиты групп используются дифавтоматы и обычные автоматические выключатели. Автоматические выключатели дифференциального тока (АВДТ) защищают кабель от перегрузки, от действия тока короткого замыкания и защищает человека от поражения электрическим током. На каждый дифавтомат нужно подать фазу и ноль. Уже после выхода с данных устройств объединять нули также нельзя. Нулевые рабочие проводники остальных групп, которые защищены обычными автоматическими выключателями, подключаются на вводную общую нулевую шину.
В данной статье представлены простейшие варианты схем однофазных электрощитов. В них рассмотрены практически все защитные устройства, показано как их нужно подключать и есть описания использования того или иного варианта. Исходя из своей индивидуальной ситуации вы должны разрабатывать свою схему. Помните, что она должна удовлетворять всем современным нормам электробезопасности.
Схема Подключения Щитка В Квартире
Для этого используют или картонную заглушку, которая идет в комплекте со щитом, или самостоятельно вырезанную крышку.
Не стоит экономить на этом изделии. Первым делом необходимо выяснить, какая в доме система электроснабжения, затем разбейте все точки потребления электричества на несколько категорий.
После этого, если есть такая необходимость, делайте нишу под щиток, ну, а коль нет, то просто просверлите отверстия под крепеж и повесьте его на стену.
Монтаж электрического щита
Если у вас эл. В пластиковом или металлическом боксе такие шины устанавливаются в свободное место на изолирующие подставки.
Корпус электрощита. Схема щитка выполнена для трехпроводной электрической сети.
Обесточивает электропроводку буквально за миллисекунды после регистрации утечек напряжения, например, при замыкании нулевого провода на землю.
Итак, к Вашему вниманию схема распределительного щита для квартиры улучшенной планировки: При таком количестве потребителей электричества должна быть трехфазная сеть в и на вводе, соответственно, трехполюсный автоматический выключатель на 63 Ампера. Однако гораздо удобнее, когда они располагаются друг за другом в такой же последовательности, что и на схеме.
Нужные отверстия выдавливаются по перфорированным линиям.
Как собрать щиток для квартиры. Электрощит для квартиры своими руками. Один из вариантов
Следующая статья:
Что из себя представляет соединение автоматических выключателей проводами, можно ознакомиться на фото. О том, как собрать распределительный щит своими руками, мы уже рассказывали!
Современные щитки имеют модульное исполнение. Современный электрощит имеет прочный корпус и запирается на замок, так что дети туда не влезут, если вы не бросите ключ на видном месте.
Электрическая схема создается в несколько этапов.
Номинал выбирается в зависимости от мощности потребителя. 
Схема сборки и подключения Для создания схемы электрического щита нужно определить тип системы электроснабжения в доме, разделить потребители электроэнергии на несколько групп, и на основании этих данных создать схему, используя ГОСТ
Таким образом, вы сможете обезопасить себя от дополнительных трат на случай установки дополнительных автоматов.
Если вы одновременно все включите, то, разумеется, сработает вводной автоматический выключатель и отключит всю квартиру.
Т 12.2 Схемы сборки группового квартирного щитка
Электрический щиток в квартире
Независимо от способа первым всегда стоит вводный автомат.
Существуют так называемые внутренние электрощитки, то есть утопленные в стену, и наружные — размещённые на стене. Крайне важно, что в схеме были использованы условные обозначения, которые подробно расписаны в ГОСТ
Обычно в процессе сборки проводятся отделочные работы, на время которых внутренности корпуса лучше прикрыть.
Дополнительные автоматические выключатели. В клеммы вставляются оголенные концы дуг и затягиваются винтами. Удобнее всего расположить его возле входной двери в прихожей.
После реле напряжения общая линия разбивается на 3 зоны, каждую из которых контролирует одно УЗО. С чего начинать? Единственное, что здесь можно отметить — это на вводе вместо установки автоматического выключателя можно выбрать рубильник выключатель нагрузки.
Содержание
УЗО устройство защитного отключения. Учитывая все эти характеристики, для каждой группы выбирается отдельный автомат. Следует обратить внимание, что 2 крайних справа провода на схеме, ответственных за освещение, не имеют заземляющих проводов.
Этап 2 — ввод и разделка кабелей В современных электробоксах предусмотрены отверстия для проводов. Шины должны быть промаркированы по правилам ПУЭ.
Составление схемы электрического щитка Важным этапом установки электрического щитка является создание его схемы. Теперь наступает второй этап, а именно выбор места. Провода соединяются с контактами автоматических выключателей при помощи винтовых зажимов Например, первый и второй слева стоят на 2 группы розеток в кухне.
Две простые схемы щитка для дома. УЗО или диф? Плюсы и минусы.
Проект электрощита
Схема сборки и подключения электрощита в квартире: Используя схему подключения, можно начинать монтаж электрощитка. Если предусмотрена установка потребителей, мощностью до 2,5 кВт, то желательна установка отдельной защиты.
Далее переходим к разбивке всех точек подключения на несколько групп.
Один автомат обслуживает группу освещения, второй — розетки, ну и третий — стиральную машину.
На хозпостройки уходит ветка однофазной сети. Подобные УЗО устанавливают на целые группы потребителей.
Новые статьи на e-mail
Здесь же я на примере, расскажу, как читать электрическую схему щитка, приведу несколько примеров и в конце статьи дам ссылку на скачивание 19 электрических схем щитков. Также схема понадобится при приеме работ электриком. Примерно так выглядит правильно организованный ввод кабелей в электрощиток: питание слева, линии квартирной сети справа. Монтаж электрощитка в квартире Если вы осуществляете сборку щитка или его перенос, то в первую очередь нужно определиться с местом установки.
Разрывают цепь, если обнаруживают перегруз по току или замыкание, защищают от повреждения проводку и подключённую технику. Чтобы не ошибиться с покупкой корпуса щита по числу модулей, надо составить монтажную схему.
Очень важно заранее определиться с количеством автоматов и подбирать электро-щиток соответствующих габаритов. ТN-С — старый тип энергоснабжения, проводка в квартире включает в себя двухжильный медный или алюминиевый кабель, кабель в щите совмещает ноль и землю. Снизу обозначены групповые кабели запитывающие те или иные группы, с указанием марки кабеля и его сечения в зависимости от нагрузки. Каждый из этих автоматов отвечает за определенную часть цепи. УЗО включается следующим образом: фаза подключается на входы автоматов, а нулевой провод соединяется с нулевым общим проводом.
Принцип такой же, как и у водопровода — один стояк на подъезд, от него идут ответвления к каждому пользователю. Нужно ли это? Вариант 3 Как я выше писал, что все группы розеток должны иметь защиту от утечек тока, то есть должны защищаться с помощью УЗО.
Схема электропроводки в квартире
{SOURCE}
Сборка электрического щитка в квартире или частном доме своими руками

В этой статье мы будем проектировать и собирать небольшой домашний электрический щиток с нуля. Начнем со всеми любимой теории, которую половина читателей просто промотает не глядя. Теоретическое предисловие включает в себя вопросы: Какие модульные системы безопасности и аксессуары надо использовать? Какую функцию будет выполнять каждый модуль? Какие соединения должны быть выполнены в распределительном устройстве? Какие кабели использовать для внутреннего соединения и для цепей, выходящих из распределителя?
Домашний электрощиток в действии, а также пошаговая инструкция по приведению его в рабочий вид будет во второй половине статьи (ниже по странице — можно переключиться из меню содержания).
Вначале был набор элементов и коробка

Исходная информация по сети следующая:
- Установка будет выполнена в двухкомнатной квартире.
- На вход подается однофазная электрическая сеть системы TN-S.
- Установленная мощность 5.5 кВт или токовая защита имеет номинальный ток 25 А.
- Разделение электрических цепей осуществляется с учетом функциональности и ограничений максимального тока, который может протекать в этой цепи. Номинальный ток наиболее часто используемого прерывателя тока B16 составляет 16 А, который с точки зрения мощности (в упрощенной форме) дает 3600 Вт. Кроме того, общая мощность устройств подключенных одновременно в данной схеме, не должна превышать это значение в течение длительного периода времени.
- Цепи защищенные переключателем B16, будут выполнены с использованием кабеля 3 х 2,5 мм2.
- Цепи защищенные переключателем B10, будут выполнены кабелем 3 х 1,5 мм2.
Будет сделано 5 электрических цепей (тип защиты в квадратных скобках):
- Электрические розетки в комнатах [B16] — максимальное количество гнезд в одной цепи в соответствии со стандартом — 10. Предположим, что это требование выполнено.
- Электрические розетки в ванной [B16] — в ванной комнате есть два самых мощных устройства: стиральная машина и сушилка. Отделите их от других устройств.
- Электрические розетки на кухне (кроме печи и посудомоечной машины) [B16] — на кухне может быть много устройств которые потребляют относительно много электроэнергии, поэтому будем делать две электрические цепи на кухне.
- Духовка и посудомоечная машина [B16]
- Освещение во всей квартире [B10] — потребление тока современными LED лампочками невелико, поэтому все без проблем могут работать на одном автоматическом выключателе.
Итак, имеется 12-модульное коммутационное устройство (короб для щитка), которое по габаритам подходит отлично.

Установке в него подлежат следующие модули (в скобках символ модуля, используемого на схемах):
- Выключатель нагрузки ( F0 ) — 1 элемент
- Защитный фильтр типа B + C ( PP ) — 1 шт.
- Фазовый индикатор ( KF ) — другими словами индикатор напряжения — 1 элемент
- Выключатель дифференциального тока ( RP1 ) — 1 элемент
- Переключатель перегрузки по току ( F1-F5 ) — 5 шт.
- Клеммная колодка нейтральных кабелей «принадлежит» к автоматическому выключателю замыкания на землю — 1 элемент ( RP1N ).
В общей сложности 10 модульных устройств, остальные 2 места — клеммная колодка и провода, подключенные к ней.

DIN-рейка может и должна быть отвинчена от основания распределительного щитка на начальной стадии сборки.

Таким образом можно соединить модули без каких-либо усилий и ненужных помех.

Соединение блоков безопасности
Прежде чем приступить к описанию схемы, несколько примечаний:
- Фазовый провод отмечен на картинке коричневым и красным. Теоретически два разных цвета обычно означают две разные фазы. И все же у нас есть только одна фаза введенная сюда. Однако в целях обучения, чтобы сделать схему более читаемой, мы выделили соединения с индикатором напряжения красного цвета, все остальные соединения фазных проводников выполнены коричневым.
- Пунктирная линия означает, что кабель проложен под защитным блоком изнутри.
- Черные точки показывают, что линии пересекающиеся на диаграмме связаны друг с другом.
- Для большего удобства при рисовании, защитные проводники тут полностью зеленые. На самом деле они, конечно, будут желто-зелеными.

В нескольких словах опишем, что происходит на приведенной выше схеме, начиная с левой стороны:
1. Для разъединителя (F0 ) снизу источник питания этому устройству будет подключен после монтажа планки в распределительном устройстве. Если разъединитель включен, электрический потенциал передается на разрядник ( PP ) и дифференциальный автоматический выключатель ( RP1 ).
2. Защитное устройство типа B + C (PP) предназначено для замыкания фазового провода с защитным проводником в случае слишком высокого напряжения. Этот тип защиты должен защищать все распределительные устройства, поэтому он подключается непосредственно к разъединителю F0. Разъем PE будет подключен к защитной клеммной колодке после монтажа DIN-рейки в распределительном устройстве.
3. Индикатор напряжения (KF) — обычно в варианте с тремя диодами, используется для проверки наличия напряжения на каждой фазе (трехфазная система). Однако здесь однофазная сеть, поэтому:
- светодиод будет указывать на наличие напряжения перед разъединителем
- светодиод укажет на наличие напряжения за разъединителем
- светодиод будет сигнализировать о наличии напряжения за устройством остаточного тока.
И таким образом оно было подключено в соответствии с терминалами X1, X2 и X3 индикатора. Клемма N будет подключена к клеммной колодке N после установки DIN-рейки в распределительном устройстве.
4. Дифференциальный автоматический выключатель (RP1) — проводник фазы питания работает непосредственно от разъединителя F0. Напряжение питания автоматического выключателя RP1 будет подключено к клеммной колодке N после установки DIN-рейки в распределительном устройстве. Выключатель остаточного тока будет защищать все 5 цепей, поэтому фазовый провод идущий от RP1 направляется на предохранительные выключатели F1-F5.
Цепи, защищенные RP1, должны быть подключены к нейтральной полосе, предназначенной только для этого автоматического выключателя остаточного тока, поэтому нейтральный проводник со стороны вторичного выхода подключен к дополнительной клеммной колодке RP1N.
5. Предохранители по току (F1-F5) — через дифференциальный автоматический выключатель RP1. После монтажа DIN-рейки в распределительном устройстве фазные проводники отдельных цепей будут соединены с верхней стороны автоматических выключателей.
Подготовка распределительного устройства
После установки модулей на DIN-рейке пришло время приступить к подготовке распределительного устройства. Оно будет соединено с 5 проводами из квартиры, по одному для каждой цепи и силового кабеля.

Прежде чем приступать к монтажу DIN-рейки, необходимо расположить эти провода в распределительном щитке. Имеется пустое распределительное устройство, в котором есть только основная клеммная колодка нейтральных проводов (N) и клеммная колодка защитных проводников (PE).

Затем подготавливаем шнур питания:
- Нейтральный проводник ведет к N-линии
- Защитный проводник для PE
- Фазовый проводник готовим на подключение к разъединителю
Поместите все защитные проводники на нижнюю часть распределительного устройства и соедините их с планкой.

Фазные проводники отдельных цепей также укладываются на дно и подготавливаются для подключения к F1-F5.
Нейтральные провода потом будут подключены к полосе RP1N, которой ещё нет.
Подключение проводки к щитку

После завинчивания подготовленной DIN-рейки с распределительным устройством получим эту схему. Пришло время объединить эти два элемента:
- Подключите фазовое питание к разъединителю F0
- Подключите фазные проводники цепей к автоматическим выключателям F1-F5

Другие соединения:
- Клемма заземления протектора PP клеммной колодки защитных проводников
- Индикатор напряжения N KF с основной линией N
- Нейтральный терминал, включающий дифференциальный автоматический выключатель RP1 с основной линией N.
Тут ещё нет нейтральных проводов отдельных цепей, которые прикрепляем к полосе нейтральных проводов RP1N.

Практическая часть — сборка
Далее на фотографиях этапы выполняемых действий. Сборка модулей и проводка распределительного устройства длится, конечно, долго. Но по этой подробной пошаговой инструкции всё можно собрать без проблем. Для наглядности у нас будет тестовый испытательный стенд, а вы делайте как нужно.

Испытательный стенд состоит из распределительного устройства и 5 контуров, из которых два из них оканчиваются разъемами или выключателями света. Как правило для поверхностного монтажа используем накладные распределительные устройства. То же самое относится к кабелям, которые прикреплены к стене в соответствии со стандартным монтажом (в кабель-каналах). У вас же всё будет спрятано в стенах.
Набор ручных инструментов для сборки распределительного устройства показан на приведенном рисунке:
- Инструмент для снятия изоляции
- Обжимной инструмент для концевых втулок
- Отвертка с двумя размерами наконечников
- Бокорезы
- Плоскогубцы
- Тестер напряжения
- Плоская отвертка

В дополнение к ним будет использована угловая шлифовальная машина для вырезания изолированной сборной шины.
Для подключения в распределительном устройстве используем кабели сечением 4 мм2:
- синий — нейтральный
- желто-зеленый — защитный
- черный и красный — фазные

И по мелочи будет необходимо:
- Наконечники для провода сечения 4мм2
- Концы втулки 4 мм2
- Штыри для установки проводов.
Итак, удаляем DIN-планку с распределительного устройства.

И помещаем модули безопасности в соответствии со схемой.

Начинаем с фазных проводников, передающих напряжение от разъединителя на разрядник и выключатель остаточного тока. Кроме того, устанавливаем соединение между вторичным выводом разъединителя и клеммой X2 индикатора напряжения. Благодаря этому в случае появления напряжения на верхней клемме разъединителя загорится светодиод № 2 индикатора (зеленый).

Следующими соединениями будут подключение индикатора напряжения со вторичной схемой выключателя дифференциального тока и подключение его с выделенной полосой нейтральных проводников, к которой в этом случае подключены нейтральные провода всех 5 цепей.

Подготовка сборной шины
Изолированная шина имеет стандартную длину на 12 модулей. Нам нужно только 7, так что потребуется сделать разрез.

Следующий шаг — отрезать один из зубов из сборной шины. Если бы мы установили такую ??шину без изменения на клеммах выключателя защиты от замыканий на землю и токоперегрузки, то сделали бы короткое замыкание фазного проводника с нейтральным проводником.

После разрезания зубов снова наденьте изоляцию.
Вернёмся к DIN-планке
Изолированная сборная шина установлена над обычными клеммами, на которые ведутся провода.

Напоминаем, что шина не имеет второго зуба, поэтому в выключателе дифференциального тока фазовый проводник с нейтральным проводником не подключены друг к другу.

Вид соединений сверху.

Перед установкой шины в распределительном устройстве подготовим еще один кабель, который соединит клемму X1 индикатора напряжения с основным терминалом (к которому подключен шнур питания) от разъединителя.
Проверяем ещё раз хорошо ли расположены модули на DIN-рейке и при необходимости исправляем.
Подготовка проводов в электрощитке

Пришло время посмотреть на распределительное устройство. К нему подключены шесть проводов:
- Вход питания 3×4 мм2 (первый слева)
- Розетки 3 х 2,5 мм2 — 4 шт. (средний)
- Схема освещения 3 х 1,5 мм2 (сначала справа)

Первое что нужно сделать, это удалить наружную изоляцию как можно ближе к месту где кабель входит в коробку.

Как только это будет выполнено, подключим провода шнура питания 220V:
- Нейтральная клеммная колодка
- защита к клеммной колодке защитных проводов
На этом этапе также подготовим фазные проводники, которые после монтажа DIN-рейки будут подключены к верхним клеммам токовых выключателей. Здесь важно правильно подключить выбранные провода к соответствующим переключателям.

Окончательная сборка щитка
Полное соединение всех модулей и их фактический вид смотрите на приведенных ниже рисунках.


После установки предварительно подготовленной модульной защиты в распределительном устройстве получим похожее на это. Осталось сделать несколько последних штрихов.

Подключим линию электропитания с помощью провода, ведущего к индикатору напряжения, к клемме разъединителя нижнего выключателя.

Пришло время подсоединить предварительно подготовленные фазные проводники цепей. Каждый из них находится на верхней клемме соответствующего автоматического выключателя.

Нейтральные проводники цепей, которые вставляем в общую полосу нейтральных проводников, принадлежащих к автоматическому выключателю дифференциального тока.
Проверка и настройка щитка
Остаётся подать напряжение на распределительное устройство и начать тестирование. Напряжение на отдельных участках электрощитка обозначается светодиодами, загорающимися на индикаторе напряжения.

Испытательный стенд готов к работе. По завершении испытаний достаточно добавить на переднюю панель распределительного устройства маркировку, информирующую о назначении каждого блока и закрыть прозрачной крышкой.

На фото выше готовое распределительное устройство с двумя включенными лампочками.
Выводы и пожелания
Представленная выше инструкция не является универсальной. Каждая квартира, частный дом — совершенно другая история, разная схема сети, другие потребности, количество розеток и ламп, степень безопасности.
Несмотря на это сложностей тут нет, поэтому надеемся наше руководство станет для вас прочным фундаментом по освоению принципов монтажа распределительного устройства в любом доме.
Главное распределительное помещение потребителя и главное НН. Коммутатор
Презентация на тему: «Главный распределительный щит потребителя и главный распределительный щит НН» — стенограмма презентации:
1 Главный распределительный щит потребителей и главный НН. Коммутатор
Изучив эту тему, учащийся сможет сформулировать функции и требования главного распределительного щита, указать функции и требования главного распределительного щита, набросать однолинейную схему подачи НН от главного распределительного щита к различным частям здания. описывать различные испытания распределительного щита (типовые и типовые испытания)
2 Главный распределительный щит потребителя
Общие требования к главному распределительному помещению Достаточное пространство для работы и размещения главного распределительного щита и другого распределительного оборудования (600 мм для распределительного устройства ≤ 100 А, 900 мм для распределительного устройства> 100 А) Рядом с трансформаторным помещением Электропитание из сети низкого напряжения, помещение должно быть у входа в здание. Свободный доступ Хорошая вентиляция. Минимальная освещенность: пол — 150 лк, стена: 120 лк. Внутри нет водопроводных и канализационных труб.
3 Главный распределительный щит потребителя
Электроснабжение главного распределительного помещения передается из распределительного щита трансформатора в различные части здания и для различных целей отделяет сторону потребителя от энергокомпании.
4 Схема главного распределительного щита шкафного типа
Компоненты главного распределительного щита Корпус изготовлен из стали толщиной 2 мм и покрыт подходящей краской Отсек сборных шин из твердотянутой меди с высокой проводимостью в соответствии с BS1432 или BS1433 Отсек для входящих и отходящих кабелей Аккуратно внутренняя проводка и с достаточным зазором A отсек для корпуса ACB, MCCB, предохранительный выключатель, пускатель двигателя, конденсаторная батарея, переключатель автоматического переключения Отсек счетчика для отображения потребления энергии или максимального потребления
5 Схема главного распределительного щита шкафного типа
Компоненты главного распределительного щита Измерение ТТ и защитных ТТ Измерители, показывающие ток, напряжение, коэффициент мощности (и макс.спрос) и т. д. Теперь для всех реле IDMT используется универсальное цифровое устройство для защиты от перегрузки по току и замыкания на землю (теперь цифровое реле). Зарядное устройство и аккумулятор для включения / отключения выключателей. Лампы индикации фазы. Противоконденсатные обогреватели. Запасные отсеки.
6 Схема главного распределительного щита шкафного типа
Главный выключатель в распределительном щите Для трехфазного 4-проводного питания используется трехполюсный и нейтральный (TP&N) главный выключатель (или автоматический выключатель) Выключатель TP&N должен отключать все фазные провода (R / Y / B) Перемычка (закрепленная болтами или винтами) должна быть вставлена в нейтральный проводник. Для однофазных установок следует использовать двухполюсный главный выключатель (DP).
7 Схема главного распределительного щита шкафного типа
Если питание осуществляется непосредственно из трансформаторной, главный входной автоматический выключатель должен быть выкатного типа, должен иметь отключающую способность не менее 40 кА, должен быть оборудован системой защиты от перегрузки по току и защиты от замыкания на землю. защитные реле Для общей установки, обслуживающей более одного здания, установку в каждом здании следует рассматривать как отдельную установку.В каждом здании должен быть главный выключатель.
8 Распределение нагрузки в здании
См. Слайд 10 для иллюстрации Подключение платы питания арендатора к трансформатору Главный входной автоматический выключатель (ACB / MCCB) для защиты от перегрузки и короткого замыкания всей установки Токопроводы, ведущие к различным центрам нагрузки в здании Секция шин Коммутатор соединяет смежную секцию сборных шин. Несущественная плата общественного питания. Секция шины для подачи электроэнергии в общественные объекты. Сантехнические и дренажные насосы, пассажирские лифты, второстепенное освещение, кондиционер и запасные части и т. д. устройства защиты кабеля от перегрузки
9 Распределение нагрузки в здании Подключение платы аварийного питания
к аварийному генератору / ИБП ACB, MCCB, предохранительный выключатель для защиты от перегрузки и / или сбоев основных нагрузок N / C) Включение / выключение спринклерных насосов, насосов для гидрантов / шланговых катушек, пожарных лифтов, аварийного освещения, запасных частей и т. Д. Однолинейная схема низкого напряжения для распределения электроэнергии между различными нагрузками в здании показана на слайде 11.
